
傳真:
18923864027
QQ:
709211280
地址:
深圳市福田區(qū)振中路84號愛華科研樓7層
測判三極管的口訣三極管三極管,全稱應為半導體三極管,也稱雙極型晶體管、晶體三極管,是一種控制電流的半導體器件其作用是把微弱信號放大
mos管導通電阻mos管導通特性與條件(一)mos管導通特性金屬-氧化層半導體場效晶體管,簡稱金氧半場效晶體管(Metal-Oxide-Semiconductor F
mos管柵極電阻的作用mos管柵極簡介在了解mos管柵極電阻的作用之前,我們先了解一下mos管柵極及其他2個極的基礎知識。場效應管根據三極管的
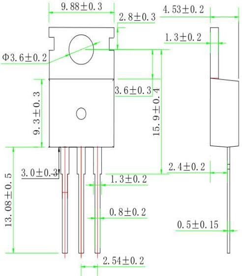
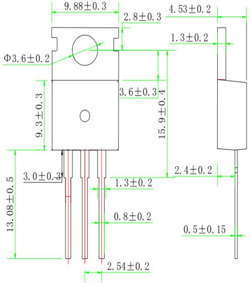
TO-220TO-220與TO-220F的區(qū)別下文將會講到,現在了解一下TO-220與TO220F是什么?TO-220封裝外形( Transistor Outline Package)是一種大
深談MOSFET的原理MOSFET廣泛使用在模擬電路與數字電路中,和我們的生活密不可分。MOSFET的優(yōu)勢在于:首先驅動電路比較簡單。MOSFET需要的驅
什么是mos管mos管是金屬(metal)、氧化物(oxide)、半導體(semiconductor)場效應晶體管,或者稱是金屬—絕緣體(insulator)、半導體。MOS管的s
TO-251封裝TO-251封裝是直插式的封裝,MOS管芯片在制作完成之后,需要給MOSFET芯片加上一個外殼,即MOS管封裝。MOSFET芯片的外殼具有支撐、保
MOS管TO-3P封裝-TO-220F封裝TO-220F封裝是全塑封裝,上到散熱器上不必加絕緣墊。TO-220帶金屬片與中間腳相連的,如裝散熱器的話要加絕緣墊
TO-3P封裝MOS管封裝MOS芯片在制作完成之后,需要給MOSFET芯片加上一個外殼,即MOS管封裝。MOS芯片的外殼具有支撐、保護、冷卻的作用,同時還為
場效應管與BJT管對應場效應管場效應晶體管(Field Effect Transistor縮寫(FET))簡稱場效應管。主要有兩種類型(junction FET—JFET)和
開關電源 元器件電子元器件電子元器件是電子元件和電小型的機器、儀器的組成部分,其本身常由若干零件構成,可以在同類產品中通用;常指電
控制器的mos管的作用控制器控制器(英文名稱:controller)是指按照預定順序改變主電路或控制電路的接線和改變電路中電阻值來控制電動機的